



SIP系统应用
IP电话系统是一种高效便捷的通信解决方案,它利用互联网连接实现语音通话和其他通信服务。与传统的电话系统相比, IP电话系统具有更高的效率和便捷性。
| 基本参数 | |
| 型 号 | JR204-FK-AL |
| 供电方式 | 电话线供电 |
| 供电电压 | 24 VDC ~ 65 VDC |
| 供电电流 | 20 mA DC ~ 100 mA DC |
| 工作频率 | 300HZ ~ 3400HZ |
| 铃声音量 | 一米距离内 ≥80 dB |
| 拨号方式 | DTMF或脉冲拨号可通过菜单设置,DTMF模式符合ITU-T建议Q.23 |
| 雷击/电压瞬变 | 达到ITU-T K.21 级别 |
| 编程方式 | 通过DTMF音或键盘远程编程 |
| 技术参数 | |
| 适配于所有常规标准的电话程控交换机(PABX) | |
| 远程编程-允许从中心位置管理您的话机 | |
| 可编程自动挂机 | |
| 可设置提机延时自动拨号 | |
| 支持定时拨打检测电话,检测话机是否正常工作 | |
| 支持一组继电器远程控制外部设备 | |
| 可根据程控交换机型号做适配,以达到滚动拨号功能 | |
| 工作温度-40˚C至 65˚C / 存储温度-40°C至 75°C | |
| 平均故障间隔时间超过 5 万小时 | |
| 基本参数 | |
| 型 号 | JR204-FK-SIP |
| 供电方式 | PoE 或 DC 12V |
| 电源适配器 | 输入:100~240V 交流电,50~60HZ / 输出:DC 12V |
| 功 率 | 待机 1W / 工作 2.4W |
| SIP 协议 | SIP 2.0 (RFC3261) |
| 网口参数 | WAN Port: 10/100Base- T RJ-45 for LAN, Auto MDIX; LAN Port: 10/100Base- T RJ-45 for PC, Auto MDIX |
| 语音编码 | G.711 a / u、G.722 8000/16000、G.723、G.729、G.726 |
| 工作模式 | 全双工 |
| 铃声音量 | 一米距离内 ≥90 dB |
| 技术参数 | |
| 兼容大多数基于SIP协议的IP服务器 | |
| 支持摘机后延时自动拨号,支持4组滚动呼叫 | |
| 支持主备服务器自动切换 | |
| 支持远程Telnet调试 | |
| PoE供电,支持连接外置扬声器(无需外置电源) | |
| 支持两个继电器远程控制外部设备 | |
| 工作温度-40˚C至 65˚C / 存储温度-40°C至 75°C | |
| 平均故障间隔时间超过 5 万小时 | |
| 网页管理 | |
| 可通过任何互联网浏览器配置话机 | |
| 支持静态IP地址或DHCP | |
| 产品可通过web界面自我诊断测试 | |
| 网页可调音量和麦克风输入等级 | |
| 网页上传固件 | |
| 回声消除支持G.168 | |
| SIP支持SIP域、SIP认证、DNS服务器名称 | |
| DTMF:SIPINFO、INBAND、RFC2833 | |
| 拨号规则:灵活的拨号设置,支持热线 | |
| 网络特性 | |
| WAN/LAN:支持网桥模式 | |
| 支持静态IP地址 | |
| 支持在WAN端口上DHCP获取IP | |
| 支持VLAN | |
| 支持网页端参数配置 | |
| 数据协议: IPv4、TCP、UDP、ICMP、ARP、RTP、SRTP、ONVIF、SNMPv1、RTCP-XR、802.1x、静态IP/DHCP IP分配、 IEEE 802.1p/Q、QoS/ToS、HTTP/HTTPS/DHCP、NTP、FTP/TFTP、CDP/LLDP VLAN配置、LDAP |
|

| 包装 | |
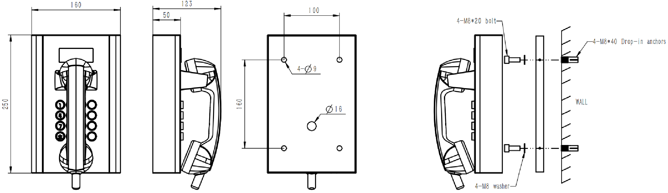
| 产品尺寸 | 250*160*123 (mm) |
| 包装尺寸 | 340*235*165 (mm) |
| 包装材料 | 珍珠棉内村,纸箱 |
| 重量 | 净重:3 kg /毛重:4 kg |